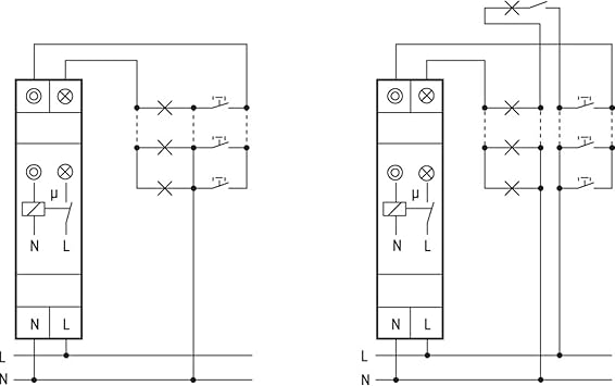
Treppenhausschaltung 4 Leiter Schaltung. Bei höchsten ansprüchen an die genauigkeit führt kein weg an ihr vorbei. Die 4 leiter ist ok nur frage ich mich wie die 3 leiter funktionieren soll.
Bei höchsten ansprüchen an die genauigkeit führt kein weg an ihr vorbei. Zwischen kl 3 4 sitzt die spule auf beiden wird der n gesteuert. Wenn sie es perfekt machen wollen greifen sie zur vierleitertechnik.
Auch für sach oder personenschäden die durch das arbeiten an elektrischen anlagen entstehen können übernehme ich keine haftung.
Treppenhausschaltung 3 leiter variante 2017 cb studios medienproduktionarbeiten an elektroanlagen sind lebensgefährlich und sollten nur von geschulten fachp. Nach drücken des tasters b1 schließt das ausgangsrelais r klemmen l. Erdung gibt es keine. Auch für sach oder personenschäden die durch das arbeiten an elektrischen anlagen entstehen können übernehme ich keine haftung.
