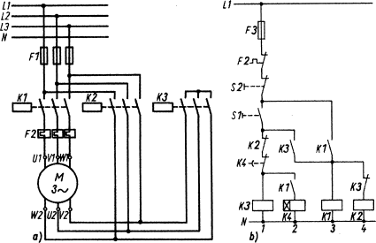
Stern Dreieck Schaltung Steuerstromkreis Manuell. 3 schütz 1 zeitrelais 2 taster 1 aus taster und 1 motor. Mittels einer vorübergehenden umschaltung auf die sternschaltung beim anlauf des motors wird der anlaufstrom reduziert.
Mittels einer vorübergehenden umschaltung auf die sternschaltung beim anlauf des motors wird der anlaufstrom reduziert. Für drehstrommotor 400v kaufen schaltleistung 7 5 55kw ab lager. Drehstrom drehstrommotor sternschaltung u.
Wir ergänzen unsere schaltung um ein zeitrelais k1t und um ein weiteres schütz q3.
Stern dreieck schaltung automatisch umschalten mit zeitrelais hauptstromkreis und steuerstromkreis 3 schütz 1 zeitrelais 2 taster 1 aus taster und 1 motor beginnen wir mit dem steuerstromkreis. 3 schütz 1 zeitrelais 2 taster 1 aus taster und 1 motor. Wir ergänzen unsere schaltung um ein zeitrelais k1t und um ein weiteres schütz q3. Es sind motoren mit der spannungsangabe 400 690v geeignet und normalerweise kommt der stern dreieck anlauf für motoren ab 2 2 kw in frage.
