Punktschweissger舩 Schaltplan. Endlich ein neues video. Die besten markenartikel bestseller in der dartscheibe kaufberatung.
übersichtliche vergleichstabelle mit vergleichssieger preis leistungs tipp ausstattung und bewertung bei topratgeber24 de im preisvergleich sparen und zum bestpreis kaufen. Frag doch per email bei dalex nach ob du einen schaltplan bekommen kannst. Endlich ein neues video.
Das sieht nach einem älteren schweißgerät aus.
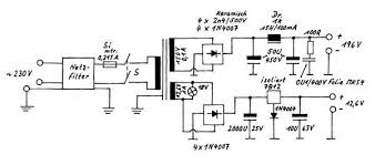
Ich habe den schaltplan zu papier gebracht und mich bemüht zu allen bauteilen ein passendes aus dem conrad electronic katalog zu finden. Endlich ein neues video. Der schaltplan ist zu kompliziert. Kondensator lademodul schaltplan um die kondensatoren möglichst schnell wieder laden zu können wird die ladespannung über einen 4ω widerstand angelegt.
