website page counter

Lauflicht Schaltung Ohne Ic

Best image references website

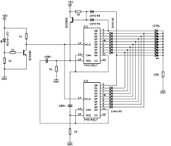
Lauflicht Schaltung Ohne Ic. Schaltplan diese schaltung besteht aus drei phasen die erste ist impulsgeber hier verwenden wir timer ic555 schaltung dou impulse erzeugen. Wie der titel schon sagt suche ich nach einem einfachen vierkanal lauflicht ohne irgendeine art von integrierten schaltkreisen.

Eine Kartonschaltung Erstellen Astabile Kippstufe Mit Einstellbarer Schaltzeit Youtube Electronics Projects Selber Bauen Elektronik Elektronische Schaltung
Eine Kartonschaltung Erstellen Astabile Kippstufe Mit Einstellbarer Schaltzeit Youtube Electronics Projects Selber Bauen Elektronik Elektronische Schaltung from www.pinterest.com

18 kanal led lauflicht ohne ic 28 12 2012 20 56 2. Ich suche vergeblich im internet eine schaltung für led lauflichtschaltung ohne ic finde nur müll. Schaltplan diese schaltung besteht aus drei phasen die erste ist impulsgeber hier verwenden wir timer ic555 schaltung dou impulse erzeugen.

Einfaches vierkanal lauflicht ohne ic.

Immer wieder taucht im internet die frage auf wie man ein led lauflicht ohne integrierte schaltkreise realisieren kann ein analoges lauflicht quasi. Immer wieder taucht im internet die frage auf wie man ein led lauflicht ohne integrierte schaltkreise realisieren kann ein analoges lauflicht quasi. Ich habe nämlich keine lust für so einen ein paar cent teuren ic 4 95 euro versandkosten zu bezahlen. 18 kanal led lauflicht ohne ic 28 12 2012 20 56 2.

close