Cmos Schaltung Zeichnen. Von andreas gast 15 02 2010 16 25. Es fließt praktisch kein.
Etwas höherer platzbedarf als nmos verwendet nmos und pmos transistoren zueinander duale funktionen für nmos und pmos transistoren ideal für hochintegration aufwendiger herstellungsprozess kein statischer stromverbrauch symmetrisches schaltverhalten cmos complementary metal oxide. Von andreas gast 15 02 2010 16 25. Einfache cmos schaltung entwerfen schaltungstechnik verfasst von asg 03 07 2013 03 46 uhr.
1 2cmos complementary metal oxide semiconductor schaltungen bestehen ublicher weise aus zwei teilfunktionen ein sogenanntes pull up netzwerk und ein sogenann tes pull down netzwerk wie in abb.
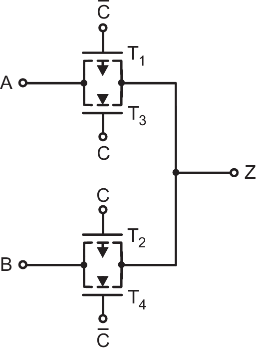
Liers peg vorlesung ws2000 2001 institut für informatik fu berlin 2 cmos logik not x y 0 1 1 0 x 1 y. Komplementäre schaltungstechnik static cmos. Eine wichtige schaltung die nur in cmos technologie möglich ist ist das transmission gate. Cmos logik grundschaltungen n kanal mos fet und p kanal mos fet transistoren bilden die grundlage für die realisierung der cmos logikfunktionen.
